Mahsulot tavsifi
BMV Orbit Shlangi Dvigatel Gerolerning ilg'or dizayniga moslashuvchi so'nggi yuza moy taqsimotiga ega bo'lgan sikloid gidravlik dvigateldir.
Tanlash uchun o'zgartirish diapazoni 250cc/r dan 1600cc/r gacha. Siqilishning keng diapazoni bilan jihoz tezligi va momentga bo'lgan turli talablarni qondirish mumkin. Bundan tashqari, tanlash uchun gardishning ko'plab shakllari va o'lchamlari mavjud.
BMV Orbit gidravlik motorining xarakteri quyidagicha:
1. Ishga tushirishning past bosimidan foydalanadigan, muammosiz va ishonchli ishlash va yuqori samaradorlikni ta'minlaydigan Geroler to'plami uchun ilg'or ishlab chiqarish qurilmalari.
2. Chiqish mili yuqori eksenel va radial kuchlarga ruxsat beruvchi konusli rulmanlarda moslashadi, bu esa kenglikda yuqori bosim va yuqori moment quvvatlarini taklif qilishi mumkin.
3. Yuqori hajm va samaradorlik va uzoq umr bilan ishlashda avtomatik ravishda kompensatsiya qila oladigan diskni tarqatish oqimidagi ilg'or dizayn.
4. To'g'ri va ishonchli ishlashni ta'minlang.
Foydalanishda ehtiyot choralari quyidagilardan iborat:
1. Dvigatelning eng yaxshi xizmat qilish muddatini ta'minlash uchun to'liq yukga qo'llashdan oldin dvigatelni nominal bosimning 30% ostida taxminan bir soat davomida boshqaring. Har qanday yukni qo'llashdan oldin vosita suyuqlik bilan to'ldirilganligiga ishonch hosil qiling.
2. Tavsiya etilgan maksimal tizim ish harorati. 82 daraja [180 daraja F].
3. Tavsiya etilgan filtrlash lSO Tozalik kodeksiga muvofiq, 18/13 daraja.
4. Dvigatelning kirish portidagi maksimal Peak bosimi 175 Bar.
Dvigatel haqida ma'lumot:
1. Uzluksiz reyting - Dvigatel ushbu reytinglarda uzluksiz ishlashi mumkin.
2. Intervalgacha ishlash - har bir daqiqaning 10% dan kam.
3. Rulmansiz vosita standart va g'ildirak motorlari bilan bir xil qo'zg'alish komponentlariga ega (motorning chiqish mili, podshipniklar va podshipniklar korpusisiz yig'ilganligi bundan mustasno). Rulmansiz vosita, ayniqsa, tishli qutilar, vinch drayverlari, g'altak va rulonli drayvlar kabi ilovalar uchun juda mos keladi.
Biz raqobatbardosh narx va sifatga egamiz va mahsulotimiz kichik miqdorda ommaviy yoki chakana etkazib berilishi mumkin, butun dunyo bo'ylab mijozlar xarid qilish uchun xush kelibsiz. Agar biron bir talabingiz bo'lsa, iltimos, biz bilan bog'lanishdan tortinmang.
Spetsifikatsiya ma'lumotlari
|
Displ. sm3/r |
250 |
315 |
400 |
500 |
630 |
800 |
1000 |
1250 |
1600 |
|
|
Oqim (LPM) |
Davomiy |
150 |
150 |
150 |
150 |
150 |
150 |
150 |
150 |
150 |
|
Vaqti-vaqti bilan |
200 |
225 |
225 |
225 |
225 |
225 |
225 |
225 |
225 |
|
|
Tezlik (RPM) |
Davomiy |
615 |
435 |
346 |
276 |
216 |
168 |
135 |
110 |
98 |
|
Vaqti-vaqti bilan |
830 |
663 |
519 |
413 |
324 |
240 |
200 |
160 |
150 |
|
|
Bosim (bar) |
Davomiy |
200 |
200 |
200 |
200 |
200 |
200 |
200 |
160 |
130 |
|
Vaqti-vaqti bilan |
250 |
250 |
250 |
250 |
250 |
250 |
250 |
200 |
170 |
|
|
Moment (N.m) |
Davomiy |
660 |
840 |
1056 |
1350 |
1690 |
2150 |
2700 |
2500 |
2640 |
|
Vaqti-vaqti bilan |
830 |
1050 |
1300 |
1650 |
2115 |
2700 |
3300 |
3080 |
3380 |
|
Ishlash ma'lumotlari





O'lchamlari




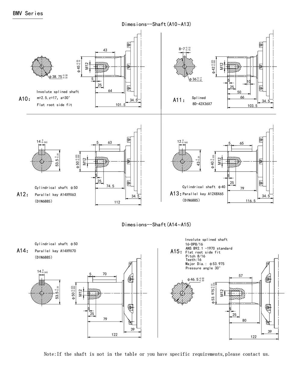
Milning o'lchamlari



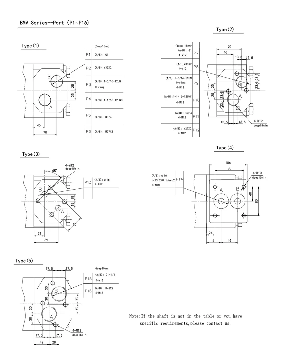
Neft portining o'lchamlari

Buyurtma haqida ma'lumot
|
1 |
|
2 |
|
3 |
|
4 |
|
5 |
|
6 |
|
7 |
|
1 |
2 |
3 |
4 |
5 |
6 |
7 |
|||||
|
Kod |
Displ.(CC/r) |
Flanj uchuvchisi diametri |
Chiqish mili |
Port (A/B) va Drenaj porti (T) Koson drenaj porti |
Aylanish Yo'nalish |
Bo'yamoq |
|||||
|
BMV |
200 |
F1 |
4-ph14,5,kvadrat gardish ph160 Pilotph125X12,6 |
A1 |
Silindrsimon mil ph57.15 Parallel kalit A12.7X12.7X57 |
P1 |
(A/B): G1 (T):G1/4 |
R |
Standart |
N |
Bo'yoq yo'q |
|
315 |
F2 |
4-ph14,5,kvadrat gardish ph162 Pilot ph127X12,6 |
A2 |
Silindrsimon mil ph40 Parallel kalit A12X8X45 |
P2 |
(A/B):M33X2 (T):M14X1.5 |
Q |
Moviy |
|||
|
400 |
F3 |
4-ph17,kvadrat gardish ph162 Pilot ph127X12,6 |
A3 |
Splined 14-DP12/24 |
P3 |
(A/B): 1-5/16-12UN 0-ring (T):9/16-18UNF |
|||||
|
500 |
F4 |
4-ph18,kvadrat gardishli ph200 Pilot:ph160X34,5 |
A4 |
Splined 6D-40X35X10 |
P4 |
(AVB):1-1/16-12UNC (T):9/16-18UNF |
|||||
|
630 |
F5 |
4-ph18,kvadrat gardish ph200 Uchuvchi: ph160X39 |
A5 |
Splined 8D-42X36X7 |
P5 |
(A/B): G3/4 (T):G1/4 |
|||||
|
A6 |
Silindrsimon mil ph50 Parallel kalit A14X9X70 |
P6 |
(A/B):M27X2 (T):M14X1.5 |
||||||||
|
800 |
F6 |
4-ph18,kvadrat gardish ph224 Uchuvchi: ph180 |
A7 |
Involvent shpalli mil 16-DP8/16 |
P7 |
(A/B): G1 4-M12 kollektor o'rnatish (T):G1/4 |
L |
Qarama-qarshi |
B |
Qora |
|
|
1000 |
F7 |
4-ph22,kvadrat gardish ph250 Pilot:ph175X14,5 |
A8 |
Involvent shpalli mil 17-DP12/24 |
P8 |
(A/B): M33X2 4-M12Manifold oʻrnatish (T):M14X1.5 |
|||||
|
1250 |
F8 |
4-ph22,kvadrat gardish ph250 Uchuvchi: ph200X32 |
A9 |
Splined 6D-35X29X10 |
P9 |
(A/B):1-5/16-12UN 4-M12Manifold o'rnatish (T):9/16-18UNF |
|||||
|
S |
Kumush kulrang |
||||||||||
|
1600 |
F9 |
4-ph14, gardish(rulmansiz)ph180 Uchuvchi: ph140 |
A10 |
Involvent shpinali mil m=2.5,Z=17,a=30 |
P10 |
(A/B):1-1/16-12UNC 4-M12Manifold Mount(T):9/16-18UNF |
|||||
|
A11 |
Splined 8D-42X36X7 |
P11 |
(A/B): G314 4-M12Manifold oʻrnatish (T):G1/4 |
||||||||
|
F10 |
4-ph14, gardish(rulmansiz)ph180 Uchuvchi: ph160 |
A12 |
Silindrsimon mil ph50 Parallel kalit A14X9X63 |
P12 |
(A/B):M27X2 4-M12Manifold oʻrnatish (T):M14X1.5 |
||||||
|
A13 |
Silindrsimon mil ph40 Parallel kalit A12X8X65 |
P13 |
(A/B):φ16 4-M12Manifold oʻrnatish (T):M14X1.5 |
||||||||
|
A14 |
Silindrsimon mil ph50 Parallel kalit A14X9X70 |
P14 |
(A/B): ph16 ph33.2+0.1chuqur2 4-M10Manifold o'rnatish (T):M14X1. |
||||||||
|
A15 |
Involvent shpalli mil 16-DP8/16 |
P15 |
(AVB):G1-1/4 4-M12Manifold oʻrnatish (T):G3/8 |
||||||||
|
A16 |
Silindrsimon mil ph63 Parallel kalit A18X11X80 |
P16 |
4-M12Manifold oʻrnatish (T):G3/8 |
||||||||
|
A17 |
Splined 6D-55X48,7X14 |
||||||||||
|
A18 |
Silindrsimon mil ph60 Parallel kalit A18X11X80 |
||||||||||
|
A19 |
Splined 6D-45X39X12 |
||||||||||
|
A20 |
G'ildirakli dvigatel Konusli ph60 mil toraygan 1:10 Parallel kalit B16X10X32 |
||||||||||
|
A21 |
G'ildirakli dvigatel Silindrsimon mil ph50 Paralel kalit A14X9X70 |
||||||||||
Eslatma: Jadvaldan foydalanilganda, chap qatorlar kodini chiziqcha maydoniga to'ldiring va kod ma'lumotlari qurilish, joy o'zgartirish, o'rnatish gardishlaridan iborat bo'lgan bizga bering. chiqish mili va portlar. Agar spetsifikatsiya jadvalda boʻlmasa yoki sizda maxsus talablar boʻlsa, biz bilan bogʻlaning (whatsapp+8615106778662).

TSS
Savol: Buyurtma berilgandan keyin etkazib berish sanasi qanday?
Savol: Mahsulotlar talablarga javob bermasa, muammoni qanday hal qilish kerak?
Savol: momentni qanday hisoblash mumkin?
Moment (Nm) {0}} Siqilish (cc/dev) x Ish bosimi (MPa) x 0,16 (Faktor)
Funktsional teoremaga ko'ra: Vm (radian uchun ml) × w (sekundiga radian) × p (MPa, differentsial bosim) × (umumiy gidravlik vosita samaradorligi) {0}} w (sekundiga radian) × T (Nm); shuning uchun T =Vm×P×ķ; bu erda Vm radianiga millilitr inqilobga millilitrga aylanadi va 2p ga bo'linishi kerak, bu 0,16 ga ko'paytiriladi.
Siqilishni mahsulot yorlig'idan ko'rish mumkin. Ish bosimi orbitaning gidravlik dvigatelining kirish qismidagi bosim o'lchagichga bog'liq. Ushbu ikki qiymatni bilib, siz hozirgi vaqtda orbita gidravlik motorining chiqish momentini hisoblashingiz mumkin.
Savol: Qanday Dvigatel sxemasi mavjud?
Issiq teglar: diskli klapanli bmv seriyali orbitali gidravlik vosita, Xitoyning bmv seriyali orbitali gidravlik dvigateli diskli klapanli ishlab chiqaruvchilar, etkazib beruvchilar, zavod

